德彩网宝蒂塑料--专业制造 塑料阀门系列、塑料管道系列
语言
球阀扭矩参考表
|
规格 |
球阀安全扭矩 |
|
15 |
≤10 |
|
20 |
≤10 |
|
25 |
≤10 |
|
32 |
12 |
|
40 |
15 |
|
50 |
20 |
|
65 |
40 |
|
80 |
45 |
|
100 |
65 |
|
125 |
85 |
|
150 |
130 |
注:安全系数1.2-2
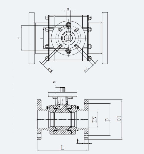
产品尺寸表(mm)
|
DN |
D1 |
D |
L |
h |
n |
φ |
工作压力(Mpa) |
J |
M |
||||||
|
HG/DIN |
ANSI |
HG/DIN |
ANSI |
HG/DIN |
ANSI |
HG/DIN |
ANSI |
FRPP/PPH |
UPVC/CPVC |
PVDF |
|||||
|
25 |
115 |
85 |
79 |
172 |
172 |
16 |
4 |
4 |
14 |
16 |
1.0 |
1.6 |
1.6 |
70 |
11 |
|
32 |
135 |
100 |
89 |
175 |
175 |
16 |
4 |
4 |
18 |
16 |
1.0 |
1.6 |
1.6 |
70 |
11 |
|
40 |
145 |
110 |
98 |
182 |
182 |
18 |
4 |
4 |
18 |
16 |
1.0 |
1.6 |
1.6 |
70 |
14 |
|
50 |
160 |
125 |
121 |
189 |
189 |
18 |
4 |
4 |
18 |
19 |
1.0 |
1.6 |
1.6 |
70 |
14 |
|
65 |
180 |
145 |
140 |
218 |
218 |
20 |
4 |
4 |
18 |
19 |
1.0 |
1.0 |
1.0 |
102 |
17 |
|
80 |
195 |
160 |
152 |
244 |
244 |
20 |
8 |
4* |
18 |
19 |
1.0 |
1.0 |
1.0 |
102 |
17/22 |
|
100 |
215 |
180 |
190 |
297 |
297 |
23 |
8 |
8 |
18 |
19 |
1.0 |
1.0 |
1.0 |
102 |
17/22 |
|
125 |
245 |
210 |
216 |
390 |
390 |
24 |
8 |
8 |
18 |
22 |
0.8 |
1.0 |
1.0 |
125 |
22/27* |
|
150 |
280 |
240 |
241 |
390 |
390 |
24 |
8 |
8 |
22 |
22 |
0.8 |
1.0 |
1.0 |
125 |
22/27* |
