德彩网宝蒂塑料--专业制造 塑料阀门系列、塑料管道系列
语言
产品特点:
● 独创的平台球阀设计,兼具法兰球阀的优点,适配各种类型执行器。
德彩网● 一体平台,全塑设计,执行器安装不需要配备支架与连接套。我们也可以提供全塑支架和连接套,使更小的气动/电动执行器能够直接安装在阀门上。
德彩网● 四孔定位,螺栓螺母连接,强度和稳定性显著优于双孔定位或自攻螺丝定位。
● PVDF阀杆,即使在苛刻的工况下,阀杆仍然有出色的机械强度。
球阀扭矩参考表
|
规格 |
球阀安全扭矩 |
|
15 |
≤10 |
|
20 |
≤10 |
|
25 |
≤10 |
|
32 |
12 |
|
40 |
15 |
|
50 |
20 |
|
65 |
40 |
|
80 |
45 |
|
100 |
65 |
|
125 |
85 |
|
150 |
130 |
|
200 |
250 |
|
250 |
400 |
|
300 |
800 |
注:安全系数1.2-2
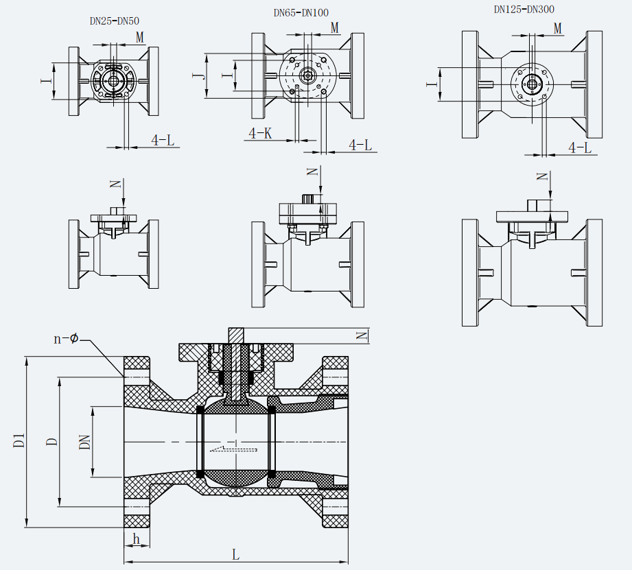
产品尺寸表(mm)
|
DN |
D1 |
D |
L |
b |
D |
φ |
工作压力(Mpa) |
I |
J |
M |
N |
||||||||
|
DIN |
JIS |
ANSI |
HG/DIN |
JIS |
ANSI |
HG/DIN |
JIS |
ANSI |
FRPP/PPH |
UPVC/CPVC |
PVDF |
||||||||
|
15 |
95 |
65 |
70 |
60 |
100 |
15 |
4 |
4 |
4 |
14 |
15 |
16 |
1.0 |
1.6 |
1.6 |
70 |
/ |
11 |
11 |
|
20 |
105 |
75 |
75 |
70 |
120 |
17 |
4 |
4 |
4 |
14 |
15 |
16 |
1.0 |
1.6 |
1.6 |
70 |
/ |
11 |
11 |
|
25 |
115 |
85 |
90 |
79 |
140 |
17 |
4 |
4 |
4 |
14 |
15 |
16 |
1.0 |
1.6 |
1.6 |
70 |
/ |
11/14* |
11 |
|
32 |
135 |
100 |
100 |
89 |
160 |
18 |
4 |
4 |
4 |
18 |
19 |
16 |
1.0 |
1.6 |
1.6 |
70 |
/ |
11/14* |
11 |
|
40 |
145 |
110 |
105 |
98 |
165 |
18 |
4 |
4 |
4 |
18 |
19 |
16 |
1.0 |
1.0 |
1.6 |
70 |
/ |
14/17* |
17 |
|
50 |
160 |
125 |
120 |
121 |
180 |
20 |
4 |
4 |
4 |
18 |
19 |
19 |
1.0 |
1.0 |
1.6 |
70 |
/ |
14/17* |
17 |
|
65 |
180 |
145 |
140 |
140 |
220 |
22 |
4 |
4 |
4 |
18 |
19 |
19 |
1.0 |
1.0 |
1.0 |
70 |
102 |
14/17 |
21 |
|
80 |
195 |
160 |
150 |
152 |
250 |
25 |
8 |
8 |
4* |
18 |
19 |
19 |
1.0 |
1.0 |
1.0 |
70 |
102 |
14/17 |
21 |
|
100 |
215 |
180 |
175 |
190 |
280 |
25 |
8 |
8 |
8 |
18 |
19 |
19 |
1.0 |
1.0 |
1.0 |
70 |
102 |
17/22 |
24 |
|
125 |
245 |
210 |
210 |
216 |
325 |
30 |
8 |
8 |
8 |
18 |
19 |
22 |
0.6 |
0.6 |
0.6 |
125 |
/ |
22/27* |
|
|
150 |
280 |
240 |
240 |
241 |
365 |
30 |
8 |
8 |
8 |
22 |
23 |
22 |
0.6 |
0.6 |
0.6 |
125 |
/ |
22/27* |
|
|
200 |
335 |
295 |
290 |
298 |
405 |
35 |
8 |
12* |
8 |
22 |
23 |
22 |
0.3 |
0.3 |
0.3 |
125 |
/ |
22/27* |
|
|
250 |
400 |
350 |
355 |
362 |
500 |
38 |
12 |
12 |
12 |
22 |
25 |
26 |
0.3 |
0.3 |
0.3 |
125 |
/ |
22/27* |
|
|
300 |
455 |
400 |
400 |
432 |
600 |
40 |
12 |
16* |
12 |
22 |
25 |
26 |
0.3 |
0.3 |
0.3 |
||||
*表示阀杆连接尺寸为方形,可以加套成8角;字体倾斜表示平台是手工焊接/粘接/钉接,不是一体平台
