宝蒂塑料--专业制造 塑料阀门系列、塑料管道系列
语言
德彩网
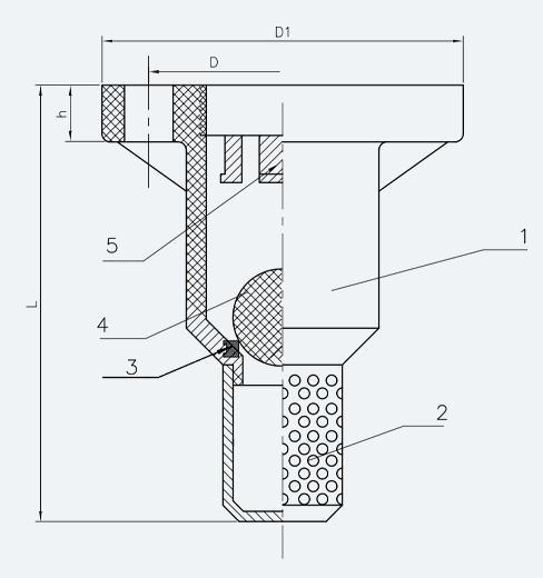
材质配件表

|
编号No. |
零部件 |
材料 |
|
1 |
阀体 |
FRPP,PPH,UPVC,CPVC,PVDF |
|
2 |
过滤网罩 |
FRPP,PPH,UPVC,CPVC,PVDF |
|
3 |
密封 |
PTFE,EPDM,FPM |
|
4 |
球 |
FRPP,PPH,UPVC,CPVC,PVDF,PTFE |
|
5 |
内塞 |
FRPP,PPH,UPVC,CPVC,PVDF |
产品尺寸表(mm)
|
DN |
D1(mm) |
D(mm ) |
L(mm ) |
h(mm) |
n |
φ(mm) |
工作压力(Mpa) |
||
|
DIN |
JIS |
ANSI |
HG/DIN |
HG/DIN |
|||||
|
15 |
95 |
65 |
70 |
60 |
168 |
15 |
4 |
14 |
1.0 |
|
20 |
105 |
75 |
75 |
70 |
182 |
17 |
4 |
14 |
1.0 |
|
25 |
115 |
85 |
90 |
79 |
196 |
17 |
4 |
14 |
1.0 |
|
32 |
135 |
100 |
100 |
89 |
22 |
17 |
4 |
18 |
1.0 |
|
40 |
145 |
110 |
105 |
98 |
224 |
17 |
4 |
18 |
1.0 |
|
50 |
160 |
125 |
120 |
121 |
250 |
20 |
4 |
18 |
1.0 |
|
65 |
180 |
145 |
140 |
140 |
308 |
22 |
4 |
18 |
0.6 |
|
80 |
195 |
160 |
150 |
152 |
350 |
25 |
8 |
18 |
0.6 |
|
100 |
215 |
180 |
175 |
190 |
392 |
25 |
8 |
18 |
0.6 |
|
125 |
245 |
210 |
210 |
216 |
448 |
30 |
8 |
18 |
0.4 |
|
150 |
280 |
240 |
240 |
241 |
504 |
30 |
8 |
23 |
0.4 |
|
200 |
335 |
295 |
290 |
298 |
560 |
35 |
8 |
23 |
0.3 |
|
250 |
400 |
350 |
355 |
362 |
620 |
38 |
12 |
23 |
0.3 |