宝蒂塑料--专业制造 塑料阀门系列、塑料管道系列
语言
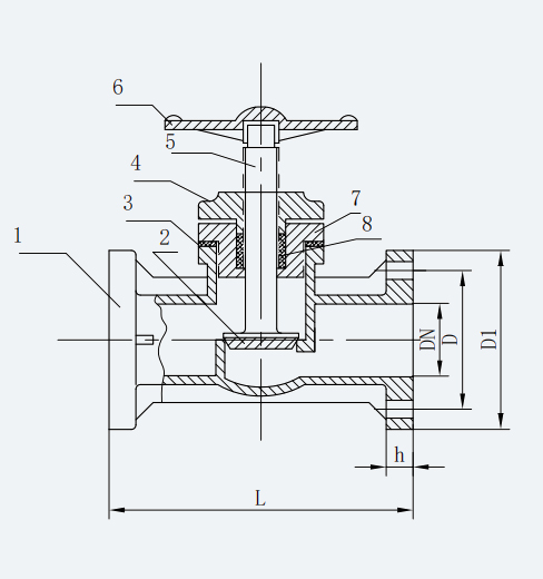
材质配件表

|
编号No. |
零部件 |
材料 |
|
1 |
阀体 |
FRPP,PPH,PVDF |
|
2 |
阀瓣 |
FRPP,PPH,PVDF |
|
3 |
橡胶垫 |
EPDM,FPM |
|
4 |
阀杆螺母 |
FRPP,PPH,PVDF |
|
5 |
阀杆 |
钢,不锈钢,铜合金 |
|
6 |
手轮 |
ABS |
|
7 |
阀盖 |
德彩网FRPP,PPH,PVDF |
|
8 |
阀杆密封 |
PTFE |
产品尺寸表(mm)
|
DN |
D |
D1 |
L |
h |
n |
φ |
工作压力(Mpa) |
|
25 |
85 |
115 |
160 |
16 |
4 |
14 |
0.6 |
|
32 |
100 |
140 |
180 |
16 |
4 |
18 |
0.6 |
|
40 |
110 |
150 |
200 |
18 |
4 |
18 |
0.6 |
|
50 |
125 |
165 |
230 |
18 |
4 |
18 |
0.6 |
|
65 |
145 |
185 |
290 |
22 |
4 |
18 |
0.6 |
|
80 |
160 |
200 |
310 |
25 |
8 |
18 |
0.6 |
|
100 |
180 |
220 |
350 |
25 |
8 |
18 |
0.6 |
|
125 |
210 |
250 |
400 |
30 |
8 |
18 |
0.6 |
|
150 |
240 |
285 |
480 |
30 |
8 |
22 |
0.6 |